Detailzeichnungen Vorbaurollladen POS halbrund

Inhaltsverzeichnis:

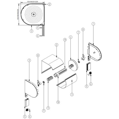
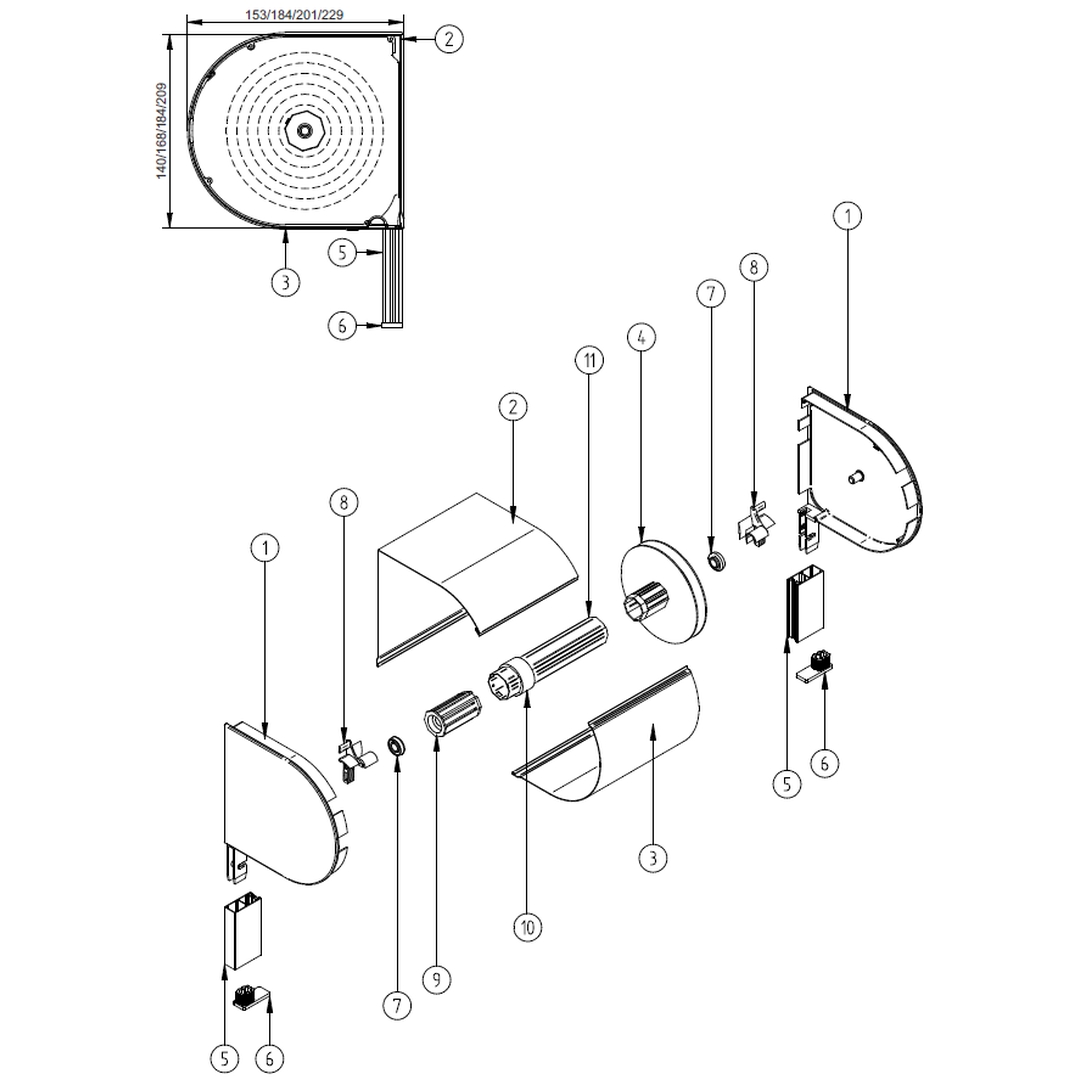
Vorbaurollladen POS halbrund Explosionszeichnung

Vorbaurollladen POS halbrund Explosionszeichnung

Explosionszeichnung Vorbaurollladen POS halbrund

  1. Blendklappe
  2. Kasten oben
  3. Kasten unten
  4. Gurtscheibe für Kasten
  5. Einzelführungsschiene
  6. Alu-Führungsschienenendkappe
  7. Kugellager
  8. Einlauftrichter des Profils
  9. Walzenkapsel für Achtkant-Stahlwelle
  10. Adapterring
  11. Achtkant-Stahlwelle

Vorbaurollladen POS halbrund Kastenformen Querschnitte

Vorbaurollladen POS halbrund mit Kastenhöhe 140mm

Vorbaurollladen POS halbrund 140mm

Vorbaurollladen POS halbrund mit Kastenhöhe 168mm

Vorbaurollladen POS halbrund 168mm

Vorbaurollladen POS halbrund mit Kastenhöhe 184mm

Vorbaurollladen POS halbrund 184mm

Vorbaurollladen POS halbrund mit Kastenhöhe 209mm

Vorbaurollladen POS halbrund 209mm

Vorbaurollladen POS halbrund Kastenformen mit Insektenschutz

Vorbaurollladen POS halbrund mit Kastenhöhe 168mm mit Insektenschutz

Vorbaurollladen POS halbrund 168mm mit Insektenschutz

Vorbaurollladen POS halbrund mit Kastenhöhe 184mm mit Insektenschutz

Vorbaurollladen POS halbrund 184mm mit Insektenschutz

Vorbaurollladen POS halbrund mit Kastenhöhe 209mm mit Insektenschutz

Vorbaurollladen POS halbrund 209mm mit Insektenschutz

Vorbaurollladen POS halbrund Einzelteile

Führungsschienen für Vorbaurollladen POS halbrund

Vorbaurollladen Führungsschiene PP 53mm

Vorbaurollladen Führungsschiene PP 53mm

Vorbaurollladen Führungsschiene PP 66mm

Vorbaurollladen Führungsschiene PP 66mm

Vorbaurollladen Führungsschiene PK 53mm mit Winkel

Vorbaurollladen Führungsschiene PK 53mm mit Winkel

Vorbaurollladen Führungsschiene 53mm PPDM Insektenschutz

Vorbaurollladen Führungsschiene PPDM 53mm Insektenschutz

Vorbaurollladen Führungsschiene 79mm PPD doppelt

Vorbaurollladen Führungsschiene PPD 79mm doppelt

Vorbaurollladen Führungsschiene 80mm PPDM Insektenschutz doppelt

Vorbaurollladen Führungsschiene PPDM 80mm Insektenschutz doppelt

Führungsschienen Endkappen für Vorbaurollladen POS halbrund

Vorbaurollladen Führungsschiene Endkappen PP 53mm P 53mm

Vorbaurollladen Führungsschiene Endkappen PP 53mm P 53mm

Vorbaurollladen Führungsschiene Endkappen PP 66mm P 66mm

Vorbaurollladen Führungsschiene Endkappen PP 66mm P 66mm

Vorbaurollladen Führungsschiene Endkappen PPD 79mm P 79mm

Vorbaurollladen Führungsschiene Endkappen PPD 79mm P 79mm

Vorbaurollladen Führungsschiene Endkappen PPDM 53mm P 53mm

Vorbaurollladen Führungsschiene Endkappen PPDM 53mm P 53mm

Führungsschienen Abdeckungen für Vorbaurollladen

Vorbaurollladen Führungsschiene N-PPDO 53mm Abdeckung rund Detail

Vorbaurollladen Führungsschiene Abdeckung N-PPDO 53mm rund Detail

Vorbaurollladen Führungsschiene Abdeckung rund doppelt Detail

Vorbaurollladen Führungsschiene Abdeckung rund doppelt Detail

Vorbaurollladen Führungsschiene Abstandsleiste Abdeckung Detail

Vorbaurollladen Führungsschiene Abstandsleiste Detail

Vorbaurollladen Führungsschiene N-PPDO 53mm Abdeckung rund

Vorbaurollladen Führungsschiene Abdeckung N-PPDO 53mm rund

Vorbaurollladen Führungsschiene Abdeckung rund doppelt

Vorbaurollladen Führungsschiene Abdeckung rund doppelt

Vorbaurollladen Führungsschiene Abstandsleiste Abdeckung

Vorbaurollladen Führungsschiene Abstandsleiste

Vorbaurollladen Führungsschiene Schnapperplatten Montage

Vorbaurollladen Führungsschiene Schnapperplatten Montage

Vorbaurollladen Führungsschiene Doppel Schnapperplatten Montage

Vorbaurollladen Führungsschiene Doppel Schnapperplatten Montage

Führungsschienen Montagebohrungen für Vorbaurollladen

Vorbaurollladen Führungsschiene Montagebohrung Typ A

Vorbaurollladen Führungsschiene Montagebohrung Typ A

Vorbaurollladen Führungsschiene Montagebohrung Typ B

Vorbaurollladen Führungsschiene Montagebohrung Typ B

Vorbaurollladen Führungsschiene Montagebohrung Typ C

Vorbaurollladen Führungsschiene Montagebohrung Typ C

Rollladenpanzer Lamellen (Profile)

Lamelle PA39 Alu technische Zeichnung

Rollladenprofil PA 39mm (Alu)

Lamelle PA45 Alu technische Zeichnung

Rollladenprofil PA 45mm (Alu)

Lamelle PA52 Alu technische Zeichnung

Rollladenprofil PA 52mm (Alu)

Vorbaurollladen Endleisten (Abschlussleisten)

Rollladen Endleiste 35mm Mini für Aluminium-Panzer Detail

Rollladenpanzer Endleiste LD 35mm Mini

Rollladen Endleiste 37mm für Aluminium-Panzer Detail

Rollladenpanzer Endleiste LD 37mm

Vorbaurollladen Antriebsbohrungen

Vorbaurollladen Antriebsbohrungen Gurtausgang

Vorbaurollladen Antrieb Ausgang Typ A

Vorbaurollladen Antrieb Ausgang Typ A

Vorbaurollladen Antrieb Ausgang Typ A Schema

Vorbaurollladen Antrieb Ausgang Typ A Schema

Vorbaurollladen Antrieb Ausgang Typ B

Vorbaurollladen Antrieb Ausgang Typ B

Vorbaurollladen Antrieb Ausgang Typ B Schema

Vorbaurollladen Antrieb Ausgang Typ B Schema

Vorbaurollladen Antrieb Ausgang Typ C

Vorbaurollladen Antrieb Ausgang Typ C

Vorbaurollladen Antrieb Typ Ausgang C Schema

Vorbaurollladen Antrieb Ausgang Typ C Schema

Vorbaurollladen Antriebsbohrungen Kurbelausgang

Vorbaurollladen Antrieb Ausgang Typ B

Vorbaurollladen Antrieb Ausgang Typ B

Vorbaurollladen Antriebsbohrungen mit Nothandkurbel

Vorbaurollladen Antrieb Ausgang Typ B

Vorbaurollladen Antrieb Ausgang Typ B

Vorbaurollladen Montagearten

Vorbaurollladen Führungsschienen POS halbrund - Einbaubeispiel 1:

Vorbaurollladen Führungsschiene PP 53mm Montage Typ A

Vorbaurollladen Führungsschiene PP 53mm Montage Typ A

Vorbaurollladen Führungsschiene PK 53mm Montage Typ C

Vorbaurollladen Führungsschiene PK 53mm Montage Typ C

Vorbaurollladen Führungsschienen POS halbrund - Einbaubeispiel 2:

Vorbaurollladen Führungsschiene PP 53mm PPD 79mm Montage Typ B

Vorbaurollladen Führungsschiene PP 53mm PPD 79mm Montage Typ B

Vorbaurollladen Führungsschiene PP 53mm Montage Typ B

Vorbaurollladen Führungsschiene PP 53mm Montage Typ B

Vorbaurollladen Führungsschiene PPDM 53mm PPDM 80 Montage Typ B

Vorbaurollladen Führungsschiene PPDM 53mm PPDM 80mm Montage Typ B

Weiter zur Produktseite Vorbaurollladen POS Rundkasten

Drutex Fensterlieferung

Kostenlose Lieferung

Ab einer Bestellung von 10 Fenstern deutschlandweit!

Jetzt Angebot für Vorbaurollladen anfordern

Das könnte Sie auch interessieren:

Vorbaurollladen PIT Unterputz

Detailzeichnungen Vorbaurollladen PIT

Vorbaurollladen PIT mit Unterputz-System für ein harmonisches Gesamtbild.

Detailzeichnungen Vorbaurollladen PIT

Vorbaurollladen PST eckig 45°

Detailzeichnungen Vorbaurollladen PST

Vorbaurollladen PST mit abgeschrägter 45° Kante für ein eckiges Design.

Detailzeichnungen Vorbaurollladen PST